ISO-GPS: Aktuelle Allgemeintoleranzen – ISO 22081

Wie schon im März 2017 vom Deutschen Institut für Normung (DIN) angekündigt, wurde die Norm mit den Angaben zu den Allgemeintoleranzen (ISO 2768-2) durch die neue ISO 22081 ersetzt. Die Gründe sind nicht eindeutige Vorgaben und große Lücken bezüglich der vollständigen und eindeutigen Tolerierungsmöglichkeiten.
Durch die Anwendung der bisherigen „Plus-Minus-Tolerierung“ (Zweipunkt-Messung) sind Produktspezifikationen nachweislich schon immer mehrdeutig. Dies kann aufgrund eines großen Interpretationsspielraums zu vertragsrechtlichen Problemen zwischen Herstellern und Abnehmern führen.
Dass die „Plus-Minus-Tolerierung“ dazu geeignet ist, die Geometrie eines Bauteils vollständig, eindeutig sowie funktions- und prüfgerecht zu spezifizieren, ist ein Irrtum, den viele Verantwortliche nicht wahrhaben wollen. Mit der Einführung der neuen ISO 22081 sollen die Produktspezifikationen und die Prüfungen mit den Konformitätsnachweisen vollständig und eindeutig werden.
Da die ISO 22081 die ISO 2768-2 ersetzt, gilt bei Zeichnungsänderung automatisch die neue Norm. Wenn das nicht gewollt ist, muss hinter der alten Norm ISO 2768 das Ausgabedatum ergänzt werden.
Beispiel: ISO 2768-2:1989
Genau genommen führt diese Ersatzbeziehung dazu, dass jede undatierte Angabe der ISO 2768-2 (zum Beispiel auf Produktzeichnungen vor der Veröffentlichung von ISO 22081:2021) auf ISO 22081 übergeht. Dies verursacht in einem Vertragsverhältnis möglicherweise erhebliche Risiken, wenn die entsprechenden Unterlagen nicht aufwändig überarbeitet werden:
- In der ISO 22081 werden keine Toleranzwerte in Abhängigkeit von Nennmaßen vorgegeben.
- Sie unterscheidet allgemeine geometrische Spezifikationen und allgemeine Maßspezifikationen.
- Zur Tolerierung kommen allgemeine geometrische Spezifikationen (Flächenprofiltoleranz) und allgemeine Größenmaßspezifikationen zum Einsatz.
- Der erforderliche Toleranzwert und ein vollständiges Bezugssystem müssen vom Konstrukteur festgelegt werden.
- Die Regeln und Spezifikationen der ISO 22081 gelten ausschließlich für integrale Geometrieelemente (Größenmaßelemente, wirkliche Werkstückoberfläche).
- Die Regeln und Spezifikationen der ISO 22081 gelten nicht für abgeleitete Geometrieelemente oder integrale Linien oder andere Maße (Stufenmaße, Bohrungsabstände …) als lineare Größenmaße oder Winkelgrößenmaße.
Beispiel zu möglichen Angaben am Schriftfeld:

Abb. 1: Beispiel zu möglichen Angaben am Schriftfeld der ISO 2768-2:1989 (Quelle: www.quality-office.de)
Die Toleranzwerte können direkt oder als Variable mit Toleranztabelle (zum Beispiel Werknorm, DIN 2769 …) angegeben werden!
Ergänzende Allgemeintoleranzen – DIN 2769
Die Norm DIN 2769 dient zur Ergänzung der Allgemeintoleranzen der DIN EN ISO 22081. Sie entstand auf Anregung der deutschen Industrie, um das etablierte Konzept mit festgelegten Toleranzwerten und Toleranzklassen ISO-GPS-konform fortzuführen.
- Im Gegensatz zur ISO 2768-Reihe gibt es mehr Toleranzklassen und die Anwendung ist technologie- und materialunabhängig.
- Die Konstruktion ist gefordert, die Grundsätze des ISO-GPS-Systems nach DIN EN ISO 8015 einzuhalten und alle Geometrieelemente, vollständig und eindeutig zu spezifizieren.
Beispiel zu möglichen Angaben am Schriftfeld:

Abb. 2: Beispiel zu möglichen Angaben am Schriftfeld der DIN EN ISO 22081 (Quelle: www.quality-office.de)
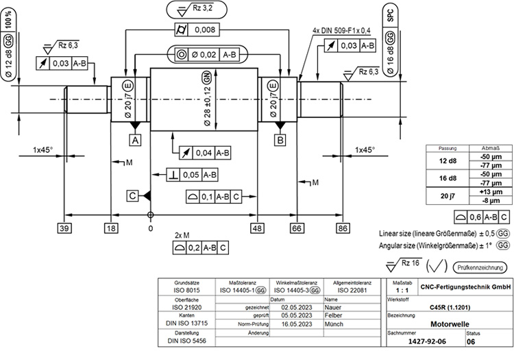
Die Flächenprofiltoleranz beträgt 1,6 mm. Die Toleranz für lineare Größenmaße ist abhängig vom jeweiligen Nennmaß. Beispiel: bei 35 mm beträgt die Toleranz ± 0,3 mm. Die Toleranz für Winkelgrößenmaße ist abhängig vom jeweiligen Nennwinkel. Beispiel: bei 40° beträgt die Toleranz ± 2°.
Beispiel zu möglichen Angaben an einer Welle:
| Informieren Sie sich in weiteren Fachartikeln der ISO-GPS-Beitragsreihe In der ISO-GPS-Beitragsreihe erhalten Sie einen kompakten Überblick über das ISO-GPS-System, den aktuellen Normungsstand, den Tolerierungsgrundsätze, dem GPS-Matrix-Modell und die Möglichkeiten zur Anwendung:
|
Der Autor Manfred Weidemann ist DGQ-Trainer und Geschäftsführer von Quality Office. Quality Office betreut seit über 25 Jahren kleine und mittelständische Unternehmen in den Bereichen Qualitätsmanagement, Prozessoptimierung, Zeichnungsprüfung und Längenprüftechnik/Fertigungsmesstechnik.

